网站首页
关于我们
关于我们
公司简介
荣誉资质
产品中心
产品中心
真空灭弧室
断路器用固封极柱
高压成套开关柜
电缆分支箱
高压电缆附件
真空断路器
高压负荷开关
高压隔离开关
高压接地开关
高压互感器
高压熔断器
跌落式熔断器
高压避雷器
绝缘子
高压成套配件
箱式变电站
新闻资讯
新闻资讯
行业资讯
常见问题
产品应用
资料下载
联系我们
网站首页
关于我们
公司简介
荣誉资质
产品中心
真空灭弧室
断路器用固封极柱
高压成套开关柜
电缆分支箱
高压电缆附件
真空断路器
高压负荷开关
高压隔离开关
高压接地开关
高压互感器
高压熔断器
跌落式熔断器
高压避雷器
绝缘子
高压成套配件
箱式变电站
新闻资讯
行业资讯
常见问题
产品应用
资料下载
联系我们
首页
产品中心
真空断路器
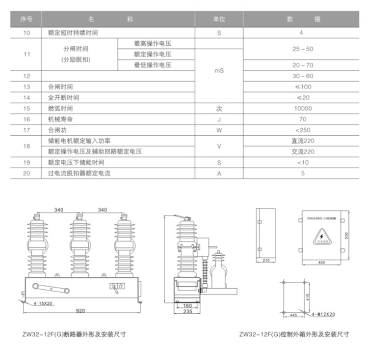
ZW32断路器
ZW32断路器
如果您有任何问题可以联系我们!
联系我们
电话:13695886578
加我微信
详细信息
上一个:
智能控制器看门狗 方形不锈钢馈线终端
下一个:
VS1断路器
相关产品
ZW32-35KV户外真空断路器
查看详情
ZW10(27)-12型户外高压交流真空断路器
查看详情
ZW32-24(FGG)系列户外高压真空断路器
查看详情
ZW7-40.5户外高压真空断路器
查看详情
FZW32-12/T630-20型户外高压隔离真空负荷开关
查看详情
FZW28-12系列户外分界真空负荷开关
查看详情