网站首页
关于我们
关于我们
公司简介
荣誉资质
产品中心
产品中心
真空灭弧室
断路器用固封极柱
高压成套开关柜
电缆分支箱
高压电缆附件
真空断路器
高压负荷开关
高压隔离开关
高压接地开关
高压互感器
高压熔断器
跌落式熔断器
高压避雷器
绝缘子
高压成套配件
箱式变电站
新闻资讯
新闻资讯
行业资讯
常见问题
产品应用
资料下载
联系我们
网站首页
关于我们
公司简介
荣誉资质
产品中心
真空灭弧室
断路器用固封极柱
高压成套开关柜
电缆分支箱
高压电缆附件
真空断路器
高压负荷开关
高压隔离开关
高压接地开关
高压互感器
高压熔断器
跌落式熔断器
高压避雷器
绝缘子
高压成套配件
箱式变电站
新闻资讯
行业资讯
常见问题
产品应用
资料下载
联系我们
首页
产品中心
高压成套开关柜
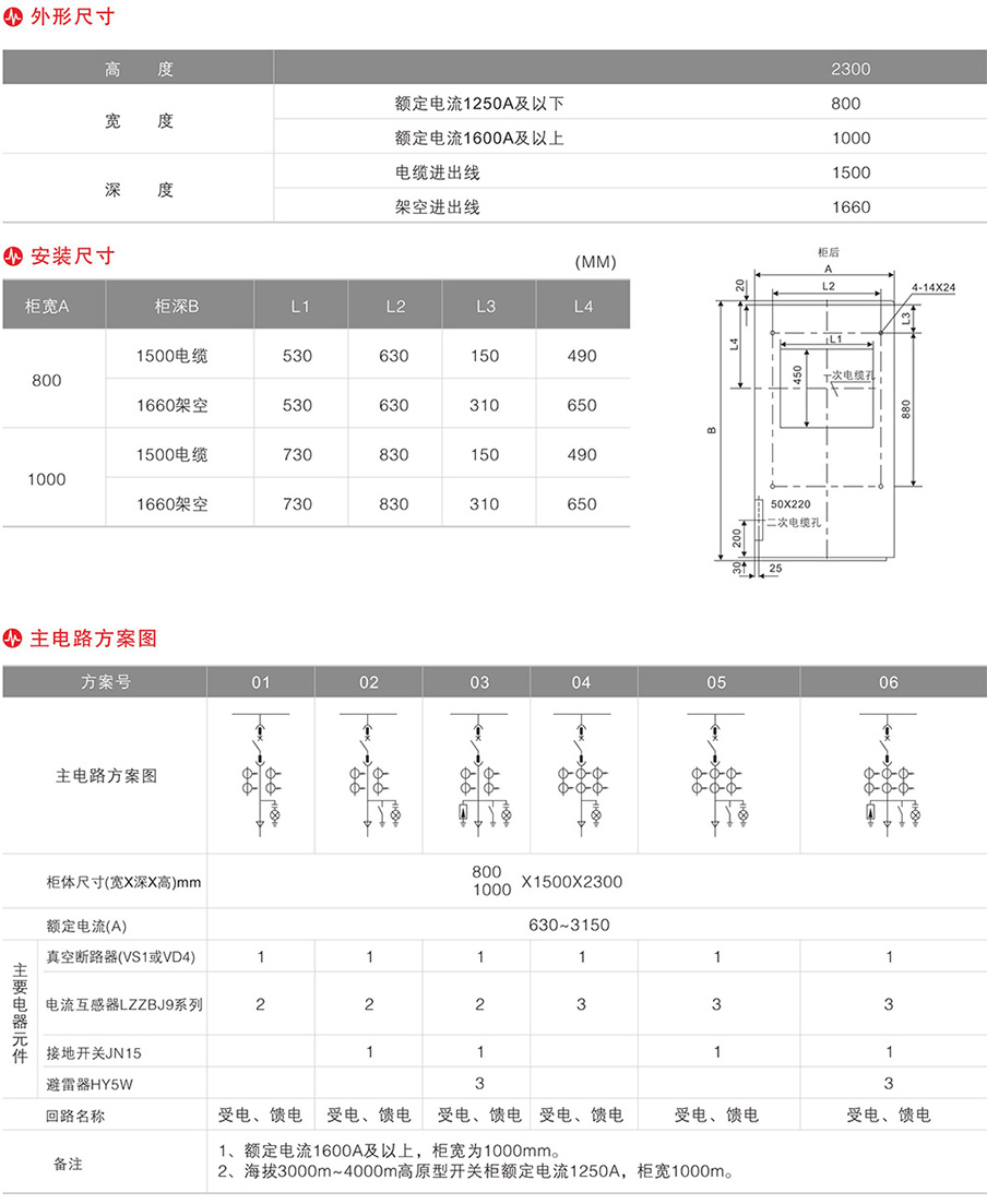
KYN28-12系列铠装中置式金属封闭开关设备
KYN28-12系列铠装中置式金属封闭开关设备
如果您有任何问题可以联系我们!
联系我们
电话:13695886578
加我微信
详细信息
上一个:
XGN15-12(SF6)型单元式交流金属封闭环网开关设备
下一个:
KYN61-40.5(Z)型铠装移开式交流金属封闭开关设备
相关产品
XGN-12智能固体绝缘柜
查看详情
XGN口-12系列绝缘金属封闭组合式电气开关设备
查看详情
HXGN口-12型箱型固定式金属封闭开关设备
查看详情
XGN15-12(SF6)型单元式交流金属封闭环网开关设备
查看详情
KYN28-12系列铠装中置式金属封闭开关设备
查看详情
KYN61-40.5(Z)型铠装移开式交流金属封闭开关设备
查看详情